MSB 25 S

Carro Compacto sem aba MSB 25 S 

Download dos arquivos em 3D:   .step

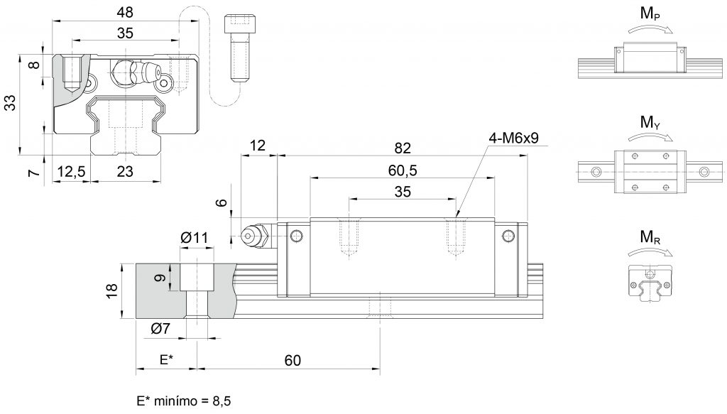
MODELO
DIMENSÕES CAPACIDADE DE CARGA MOMENTO ESTÁTICO PESO
W1 H W Dinâmica (kgf) Estática (kgf) MP (kgf.m) MY (kgf.m) MR (kgf.m) Carro (Kg) Guia (kg/m)
MSB 25 S 23 33 48 2230 3690 35 35 43 0,45 3


Fale com nossos especialistas



Precisando de atendimento?

Solicite o seu orçamento.


Preencha o formulário e nossa equipe entrará em contato para lhe atender.


A OBR oferece soluções eficientes em movimentação linear, amortecimento, isolamento térmico e automação.
Com uma equipe preparada e segmentada, oferecemos um atendimento diferenciado com atenção especial a todos nossos clientes.