
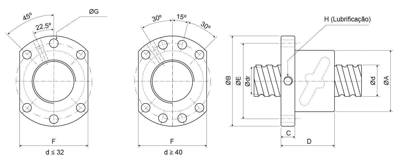
Dimensões em mm.
|
Modelo
|
Diam.
Esfera
|
Capacidade de Carga ( Kgf ) | Dimensões da Porca | Diâmetro do Fuso | Passo |
|||||||||
| Dinâmica* | Estática | A | B | C | D | E | F | G | H | d | dr | |||
| OBR-SFUR-1605-4 | 3,175 | 888 | 1.525 | 28 | 48 | 10 | 50 | 38 | 40 | 5,5 | M6x1P | 16 | 13,80 | 5 |
| OBR-SFUR-1610-3 | 3,175 | 716 | 1.232 | 28 | 48 | 10 | 57 | 38 | 40 | 5,5 | M6x1P | 16 | 13,80 | 10 |
| OBR-SFUR-2005-4 | 3,175 | 999 | 1.994 | 36 | 58 | 10 | 51 | 47 | 44 | 6,6 | M6x1P | 20 | 17,80 | 5 |
| OBR-SFUR2010-3.8 | 3,175 | 1.516 | 3.833 | 36 | 58 | 10 | 60 | 47 | 44 | 6,6 | M6x1P | 20 | 17,80 | 10 |
| OBR-SFUR-2505-4 | 3,175 | 1.119 | 2.581 | 40 | 62 | 10 | 51 | 51 | 48 | 6,6 | M6x1P | 25 | 22,80 | 5 |
| OBR-SFUR-2510-4 | 4,762 | 1.903 | 3.695 | 40 | 62 | 12 | 85 | 51 | 48 | 6,6 | M6x1P | 25 | 21,75 | 10 |
| OBR-SFUR-3205-4 | 3,175 | 1.264 | 3.402 | 50 | 80 | 12 | 52 | 65 | 62 | 9 | M6x1P | 32 | 29,80 | 5 |
| OBR-SFUR-3210-4 | 6,35 | 3.092 | 6.101 | 50 | 80 | 12 | 90 | 65 | 62 | 9 | M6x1P | 32 | 27,66 | 10 |
| OBR-SFUR-4005-4 | 3,175 | 1.407 | 4.341 | 63 | 93 | 14 | 93 | 78 | 70 | 9 | M8x1P | 40 | 35,66 | 5 |
| OBR-SFUR-4010-4 | 6,35 | 3.480 | 7.779 | 75 | 110 | 16 | 93 | 93 | 85 | 11 | M8x1P | 50 | 45,66 | 10 |
| OBR-SFUR-5010-4 | 6,35 | 3.898 | 10.325 | 75 | 110 | 16 | 93 | 93 | 85 | 11 | M8x1P | 50 | 45,67 | 10 |
| OBR-SFUR-6320-4 | 9,525 | 7.404 | 19.008 | 95 | 135 | 20 | 149 | 115 | 100 | 13,5 | M8x1P | 63 | 56,51 | 20 |
| OBR-SFUR-8020-4 | 9,525 | 8.403 | 25.345 | 125 | 165 | 25 | 154 | 145 | 130 | 14 | M8x1P | 80 | 73,49 | 20 |
*Carga Dinâmica = 1 x 106 revoluções
Preencha o formulário e nossa equipe entrará em contato para lhe atender.
A OBR oferece soluções eficientes em movimentação linear, amortecimento, isolamento térmico e automação.
Com uma equipe preparada e segmentada, oferecemos um atendimento diferenciado com atenção especial a todos nossos clientes.