Os Rolamentos Padrão HepcoMotion são projetados para serem utilizados com tamanhos específicos de trilhos (Slide), mas podem ser “misturados e combinados” em muitas situações.
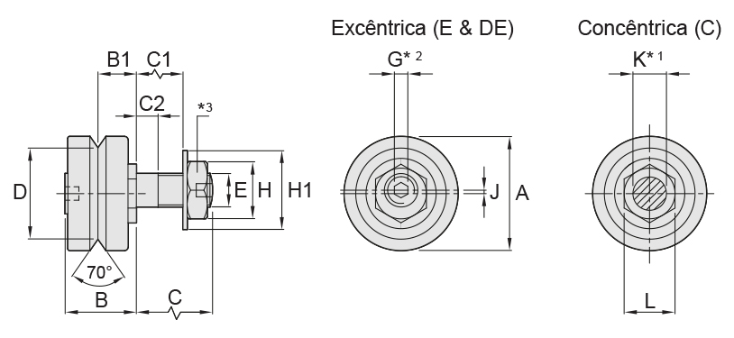
Fixação Passante (SJ/LJ):

|
Referência
|
Use com | A |
B |
B1 | C |
C1 máx | C2 | D ±0.025 |
E Métrica Fina |
F | G*² |
H |
|||||
![]() |
Eixo Curto | Eixo Longo | Eixo Curto | Eixo Longo | Eixo Curto | Eixo Longo | |||||||||||
| ... J 13 ... | NMS & MS | 12.7 | 10.1 | 5.47 | 5.8 | 9.5 | 3 | 6.7 | 2.2 | 2.4 | 9.51 | M4x0.5 | 8 | - | 7 | ||
| ... J 18 ... | NV & V | 18 | 12.4 | 6.75 | 7.4 | 14 | 3.4 | 10 | 2.4 | 2.5 | 14.0 | M6x0.75 | 10 | 2.5 | 10 | ||
| ... J 25 ... | NS & S | 25 | 16.6 | 9 | 9.8 | 19 | 3.8 | 13 | 3.4 | 4.9 | 20.27 | M8x1 | 14 | 3 | 13 | ||
| ... J 34 ... | NM & M | 34 | 21.3 | 11.5 | 13.8 | 22 | 6.6 | 14.8 | 5.2 | 5.9 | 27.13 | M10x1.25 | 18 | 4 | 17 | ||
| ... J 54 ... | NL & L | 54 | 34.7 | 19 | 17.8 | 30 | 8.2 | 20.4 | 5.7 | 7.9 | 41.76 | M14x1.5 | 28 | 6 | 22 | ||
Fixação por Furo Cego (BHJ):

|
|
Referência
|
H1
|
J | K*¹ +0.00 -0.03 |
L |
M | N |
P | P1 | Q | Q1 | Q2 | R ±0.1 |
R1 | S | T |
U |
V | |
| ...E... | ...DE... | ||||||||||||||||||
| ... J 13 ... | 9 | 0.5 | 1.9 | 4 | 7 | 5.8 | 1.0 | 6.25 | 6.6 | 8.5 | 3.75 | 6.75 | 30 | 47.5 | 8 | 20 | M3 | 5.5 | |
| ... J 18 ... | 13 | 0.7 | 2.6 | 6 | 11 | 7.4 | 1.2 | 8 | 10.5 | 10 | 4 | 8 | 38 | 54 | 11 | 24.5 | M4 | 7 | |
| ... J 25 ... | 17 | 0.75 | 2.75 | 8 | 13 | 9.8 | 1.5 | 7 | 9 | 12 | 5 | 10 | 50 | 72 | 14 | 32 | M5 | 8.5 | |
| ... J 34 ... | 21 | 1 | 3.6 | 10 | 15 | 13.8 | 2.0 | 9.5 | 8.5 | 17.5 | 6.5 | 12.5 | 60 | 90.5 | 17 | 42 | M6 | 10 | |
| ... J 54 ... | 28 | 1.5 | 5.5 | 14 | 27 | 17.8 | 3.0 | 14.5 | 16.4 | 23.5 | 10.5 | 18.5 | 89.5 | 133 | 25 | 62 | M8 | 13 | |
|
Referência
|
Capacidade máxima do Suporte (N) | Capacidade de carga estática (Co) e Dinâmica (C) do Suporte (N) |
||||||||||
| Duas Fileiras | Rolamento Duplo | Para Duas Fileiras |
Para cada Rolamento Duplo |
|||||||||
| Radial |
Axial |
Radial |
Axial |
Cargas Radiais | Cargas Axiais |
Cargas Radiais |
Cargas Axiais |
|||||
| Co | C | Co | C | Co | C | Co | C | |||||
| ... J 13 ... | - | - | 120 | 60 | - | - | - | - | 265 | 695 | 74 | 194 |
| ... J 18 ... | 600 | 190 | 200 | 125 | 1168 | 2301 | 435 | 857 | 593 | 1438 | 173 | 419 |
| ... J 25 ... | 1500 | 400 | 600 | 320 | 2646 | 5214 | 821 | 1618 | 1333 | 3237 | 326 | 791 |
| ... J 34 ... | 3000 | 900 | 1400 | 800 | 5018 | 9293 | 1362 | 2523 | 2600 | 5291 | 557 | 1270 |
| ... J 54 ... | 5000 | 2500 | 3200 | 1800 | 12899 | 21373 | 2777 | 4601 | 6657 | 13595 | 1136 | 2320 |